
Questo articolo tecnico analizza i compromessi tra prestazioni e costi dei vari tipi di sensori di misura della corrente negli energy meter e approfondisce le tecniche di condizionamento del segnale e il ruolo dell’ADC.
Con l’avanzare verso una rete energetica più sostenibile, basata su fonti come l’energia solare ed eolica, emerge la necessità di dispositivi di misurazione dell’energia per ottenere informazioni dettagliate sui consumi individuali, al fine di identificare aree di miglioramento, ottimizzare l’utilizzo e ridurre i costi.
Le tipologie di apparecchiature elettroniche finali che richiedono un sottosistema di misurazione dell’energia includono contatori elettrici intelligenti, stazioni di ricarica per veicoli elettrici (EV), alimentatori e unità di distribuzione dell’energia, elettrodomestici intelligenti, illuminazione stradale e componenti per l’automazione degli edifici. L’elevato numero di questi prodotti determina la necessità di soluzioni di misurazione dell’energia il più possibile economiche, mentre gli standard di misurazione regionali, come l’American National Standards Institute C12 (negli Stati Uniti) o la Measuring Instruments Directive (in Europa), impongono rigorosi requisiti di precisione e sicurezza [1], [2].
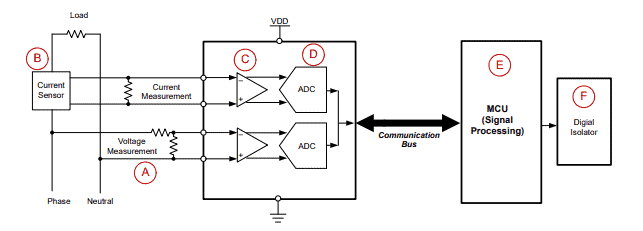
La Figura 1 illustra una tipica catena di segnali all’interno di un’applicazione di misurazione dell’energia (mostrando solo una fase per semplicità). Un convertitore analogico-digitale (ADC) misura e digitalizza simultaneamente tensione e corrente per ciascuna fase. Successivamente, l’elaborazione del segnale digitale estrae parametri metrologici come potenza ed energia attiva e reattiva, tensioni linea-linea, potenza ed energia fondamentali e armoniche [3]. I componenti fondamentali della catena del segnale sono:
- Front-end di rilevamento della tensione di linea (A in Figura 1).
- Sensore di misura della corrente (B).
- Front-end e condizionatore di segnale tra il sensore di corrente e l’ADC (C).
- ADC (D).
- Hardware di elaborazione del segnale digitale (E).
- Isolamento galvanico (F).
Mentre il front-end di rilevamento della tensione di linea è nella maggior parte dei casi implementato utilizzando semplici divisori di resistenza [3], esistono varie opzioni per la scelta di ogni altro componente. Per ciascuno di questi componenti della catena del segnale, esistono compromessi tra prestazioni, dimensioni e costi. Questo articolo si concentra sui compromessi tra prestazioni e costi per il sensore di misura della corrente e il condizionamento del segnale, nonché per l’ADC.

Figura 1. Catena del segnale del sottosistema di misurazione dell’energia.
Confronto tra gli elementi dei sensori di corrente utilizzati per la misurazione dell’energia
La Tabella 1 riassume i vantaggi e le sfide prestazionali in rapporto al costo per tre tecnologie di rilevamento della corrente utilizzate nelle applicazioni di misurazione dell’energia. I trasformatori di corrente sono i sensori più diffusi grazie alla loro ampia gamma dinamica, alla durata e alla bassa impedenza di inserzione (misurazione della corrente non invasiva) [4].
Tuttavia, il loro costo è molto probabilmente il più elevato tra tutte le tecnologie di rilevamento della corrente. I resistori di shunt (shunt) sono molto interessanti grazie alla loro immunità magnetica, alle dimensioni ridotte e al costo ridotto, ma mancano di isolamento e forniscono una minore precisione a correnti più elevate a causa dell’autoriscaldamento termico [5].
Le bobine di Rogowski rappresentano un’alternativa interessante agli altri due sensori e rappresentano l’opzione più economica, soprattutto se si considerano le bobine su circuito stampato (PCB) rispetto alle bobine di Rogowski sfuse [6].

Tabella 1. Confronto tra sensori di corrente
Grazie al loro basso costo e alla flessibilità di installazione, le bobine Rogowski su PCB sono interessanti per applicazioni di misurazione dell’energia a basso costo [7], [8].
Analizziamo ora i vantaggi e le sfide di un progetto di misurazione basato su Rogowski su PCB e su come ottimizzare la catena del segnale al minor costo possibile, nel rispetto degli standard di misurazione regionali.
Sensibilità delle bobine Rogowski su PCB utilizzate nella misurazione dell’energia rispetto alle prestazioni del rumore ADC
La sensibilità della bobina Rogowski su PCB è in genere specificata in microvolt per ampere e dipende dalla geometria (numero di spire, dimensione della bobina); materiale del nucleo (se presente); frequenza della corrente; fattori ambientali (temperatura, umidità, campi magnetici esterni) [9].
Le sensibilità comuni vanno da decine a poche centinaia di microvolt per ampere [9].
Un requisito di precisione comune per i contatori elettrici residenziali è misurare una corrente di fase RMS di 250 mA con una precisione del 2% [1]. Ad esempio, con una bobina di Rogowski da 200 μV/A, il segnale all’ingresso dell’ADC è di soli 200 μV/A × 0,250 A = 50 μV per questa corrente di fase. Le prestazioni dell’ADC richieste (ovvero il rumore che determina la risoluzione effettiva) per misurare questo segnale con una precisione del 2% sono pari a 0,02 × 200 μV/A × 0,250 A = 1 μV, come definito dall’equazione 1:
![]()
dove, VnADC è il livello di rumore richiesto dall’ADC, tol è la precisione di misura specificata in percentuale per una data corrente di fase, Ifase-rmsin ampere e k è la costante di sensibilità della bobina di Rogowski in microvolt per ampere.
Pertanto, in questo esempio, il rumore totale dell’ADC (rumore di quantizzazione più rumore bianco) deve essere inferiore a 1 μV. Confronto di 1 μV.
Confrontando il requisito di rumore dell’ADC di 1μV con le specifiche di un ADC di precisione come il Texas Instruments (TI) ADS131M08 [10], è chiaro che il raggiungimento del livello di prestazioni previsto potrebbe richiedere una media aggiuntiva dei campioni ADC. La Tabella 2 illustra questa media e mostra anche il rumore ADC totale in microvolt RMS per varie impostazioni di guadagno e velocità di trasmissione dati come definito dal rapporto di sovracampionamento (OSR).
Con un guadagno di 1 e una frequenza di campionamento di 4 kSPS (OSR = 1.024), il rumore ADC è di circa 5 μVrms. Poiché il rumore migliora di un fattore √2 per il raddoppio del tempo di media, il raggiungimento del requisito di <1 μV di rumore ADC richiede un periodo di tempo ≥16 ms. Questo è accettabile per la maggior parte dei sistemi di misurazione dell’energia, che comunemente richiedono una frequenza di aggiornamento di 20 ms [1]. Questo tipo di media può essere implementato praticamente con una combinazione di sovracampionamento interno dell’ADC utilizzando la funzione di rapporto di sovracampionamento interno (OSR) dell’ADC delta-sigma e di post-media esterna.
Un’altra opzione suggerita dalla Tabella 2 è quella di selezionare un guadagno più elevato per l’amplificatore a guadagno programmabile (PGA) interno all’ADC, poiché riduce il rumore riferito all’ingresso [10]. In alternativa, è possibile precondizionare il segnale con uno stadio di guadagno esterno prima che arrivi all’ADC. Uno stadio di guadagno esterno aumenta tuttavia significativamente il costo della catena del segnale.

Tabella 2. Prestazioni del rumore dell’ADC in funzione di velocità, tempo medio e OSR.
Analisi di sensibilità di una catena di segnali ADC per sensori di corrente basati su bobine di Rogowski
La preoccupazione principale per i sistemi che utilizzano un sensore di corrente Rogowski PCB a basso costo è che l’ampiezza del segnale all’uscita del sensore è in genere molto piccola, nella maggior parte dei casi solo pochi microvolt. È necessario progettare attentamente la catena del segnale per soddisfare i requisiti di accuratezza imposti dallo standard di misurazione.
Il condizionamento del segnale di un valore così piccolo deve includere un guadagno differenziale significativo, sia selezionando un convertitore A/D ad alta risoluzione con guadagno interno, sia collegando in cascata uno stadio di guadagno esterno tra il sensore e il convertitore A/D. L’aggiunta di uno stadio di guadagno esterno è spesso dannosa, poiché aumenta il costo totale; pertanto, ha più senso quantificare quali soluzioni richiedono stadi di guadagno esterni e quando è possibile evitarli.
Nella tabella 3 vengono presentate tre diverse bobine di Rogowski per analizzare l’efficacia di uno stadio di guadagno esterno:
- La bobina A è una bobina Rogowski PCB basata sul progetto di riferimento per la misurazione della corrente AC ad alta precisione mediante sensore a bobina Rogowski PCB [11], con una sensibilità di circa 20 μV/A.
• La bobina B è un’altra bobina Rogowski proprietaria con una sensibilità di circa 100 μV/A.
• La bobina C è una bobina Rogowski sfusa disponibile in commercio (Pulse PA3209NL) [12] con una sensibilità di circa 500μV/A.

Tabella 3. Bobine di Rogowski caratterizzate durante l’analisi della catena del segnale.
La Figura 2 illustra la configurazione di misura per l’analisi di sensibilità. L’uscita di ciascuna bobina di Rogowski, mostrata nella Tabella 3, si collega a una scheda di interfaccia di condizionamento del segnale in cui è possibile selezionare o bypassare lo stadio di guadagno basato su TI INA188 [13] con quattro ponticelli. Il resistore di definizione del guadagno RG (vedere Figura 2) è da 390 Ω, producendo un guadagno esterno opzionale di 128.
L’uscita della scheda di interfaccia dell’amplificatore INA si collega all’ingresso di corrente di fase 1 del progetto di riferimento dell’E-Meter con trasformatore di corrente trifase e ADC autonomo [3]. Questo progetto di riferimento include le resistenze di carico R37 e R38, necessarie solo per il collegamento a un trasformatore di corrente e fisicamente rimosse per questa analisi. L’ADC sul progetto di riferimento dell’e-meter è il TI ADS131M08, un ADC delta-sigma a campionamento simultaneo a otto canali ad alta precisione con opzioni di guadagno interno che vanno da 1 a 128.

Figura 2. Configurazione di misurazione per l’analisi della catena del segnale.
Le Figure 3 e 4 mostrano l’accuratezza della corrente misurata per una corrente di linea a 50 Hz da 100 mA a 10 A, utilizzando il reference meter e source generatore MTE tipo PTS3.3C. Utilizzando la stessa procedura di test [3], i campioni di corrente ed energia vengono mediati su un periodo di tempo di 20 ms. Implementiamo ora l’integrazione del segnale di Rogowoski nel dominio digitale seguendo la procedura descritta in [11]. L’alternativa sarebbe l’integrazione attiva analogica come mostrato in [14], tuttavia questa tecnica viene ignorata per la nostra analisi poiché i due metodi solitamente producono risultati simili.

Figura 3. Precisione della corrente misurata per la bobina da 20 μV/A con diverse impostazioni di guadagno.
Figura 4. Precisione della corrente misurata per la bobina da 100 μV/A con diverse impostazioni di guadagno.
Per una bobina PCB con sensibilità molto bassa (ad esempio, 20 μV/A), si ottiene un miglioramento significativo utilizzando un guadagno esterno di 128 mediante il collegamento in cascata dello stadio INA (vedere Figura 3). Il guadagno PGA interno (anche con un guadagno di 128) dell’ADS131M08 da solo non aumenta sufficientemente il piccolo segnale di ingresso al di sopra del livello di rumore di quantizzazione, come spiegato in precedenza.
Utilizzando bobine PCB con una sensibilità ≥100 μV/A (vedere Figura 4), la selezione del guadagno interno rispetto a quello esterno genera un errore comparabile, a indicare che l’ampiezza di uscita del sensore è ora ben al di sopra del livello di rumore di quantizzazione per l’intervallo di corrente di fase rilevante. Il valore assoluto dell’errore risultante è superiore a quello accettabile per alcuni sistemi di misurazione dell’energia di livello economico, che mirano a una precisione ≤0,5%. Questo errore maggiore è il risultato di una procedura di calibrazione semplificata applicata in questa configurazione: una calibrazione (guadagno) a punto singolo. In un tipico progetto di misurazione, l’applicazione di un massimo di tre fasi di calibrazione (calibrazione dell’offset, calibrazione del guadagno e calibrazione di fase) può ridurre ulteriormente l’errore assoluto.
La Figura 5 e la Figura 6 illustrano la dipendenza dell’errore di misurazione dalla sensibilità della bobina di Rogowski per le tre diverse bobine elencate nella Tabella 3.
Figura 5. Precisione della corrente misurata per tre bobine a una corrente di linea di 200 mA.
Sia nel caso di correnti di fase basse (200 mA, Figura 5) che di correnti di fase medie (5 A, Figura 6), la bobina di Rogowski da 20 μV/A ottiene un miglioramento significativo (un errore minore) utilizzando lo stadio di guadagno esterno. Come previsto, tutti gli errori si riducono a valori inferiori quando si rileva il valore di corrente di linea più elevato (5 A, Figura 6). Per le bobine di Rogowski da 100 μV/A e 500 μV/A, l’applicazione di un guadagno esterno di 128 rispetto all’utilizzo del guadagno ADC interno si traduce in una precisione comparabile.

Figura 6. Precisione della corrente misurata per tre bobine a una corrente di linea di 5 A.
Conclusione
Per bobine di Rogowski ≥100 μV/A, lo stadio di guadagno esterno non è necessario, con conseguente riduzione dei costi per una soluzione di catena del segnale di misurazione dell’energia. Per bobine di Rogowski <100 μV/A, potrebbe essere necessario un guadagno esterno per garantire la precisione della misurazione dell’elettricità residenziale quando si utilizza il TI ADS131M08 o un ADC comparabile. In alternativa, si può prendere in considerazione un ADC a basso rumore e più costoso per evitare circuiti aggiuntivi.
Riferimenti
- Kelechava, Brad. ANSI C12.20-2015 – Electricity Meters – 0.1, 0.2, and 0.5 Accuracy Classes. American National Standards Institute blog, May 8, 2017.
- Directive 2004/22/EC of the European Parliament and of the Council of 31 March 2004 on Measuring Instruments (https:// eur-lex.europa.eu/LexUriServ/LexUriServ.do? uri=CONSLEG:2004L0022:20130101:en:PDF). Document 32004L0022. European Union: Brussels, Belgium. March 31, 2004.
- Texas Instruments. n.d. Three-Phase Current Transformer E-Meter Reference Design with Standalone ADC. Texas Instruments reference design No. TIDA-010243. Accessed March 14, 2025.
- Blue Jay. n.d. What Are Advantages and Disadvantages of Current Transformer? Accessed Jan. 21, 2025.
- Maniar, Krunal. Comparing Shunt- and Hall-Based Isolated Current-Sensing Solutions in HEV/EV. Texas Instruments application brief, literature No. SBAA293C, June 2018.
- Institute of Electrical and Electronics Engineers (IEEE) Power System Relaying Committee (PSRC). Practical Aspects of Rogowski Coil Applications to Relaying. IEEE PSRC Special Report, September 2010.
- Aim Dynamics. Rogowski Coils vs. Current Transformers. Aim Dynamics blog post, July 24, 2023.
- Brooks, Chris. Why Choose Rogowski Coils? Setra blog post, Feb.13, 2017.
- Salomon, Victor. Two-Phase Rogowski Coil Based Electricity Meter Analog Front-End Circuit. Texas Instruments Analog Engineer’s Circuit, literature No. SBAA385A, July 2020.
- Texas Instruments. n.d. ADS131M08 24-bit, 32- kSPS, 8-channel, simultaneous-sampling, deltasigma ADC. Accessed Jan. 21, 2025.
- Texas Instruments. n.d. High Accuracy AC Current Measurement Reference Design Using PCB Rogowski Coil Sensor. Texas Instruments reference design No. TIDA-01063. Accessed March 14, 2025.
- Pulse Electronics. n.d. PA3209NL SidewinderCurrent Sensor. Accessed Mar. 19, 2025
- Texas Instruments. n.d. INA188 36-V, ZeroDrift, Rail-to-Rail-Out Instrumentation Amplifier. Accessed Jan. 21, 2025.
- Texas Instruments n.d. Active Integrator for Rogowski Coil Reference Design With Improved Accuracy for Relays and Breakers, Texas Instruments reference design No. TIDA-00777. Accessed March 19, 2025.
Ralph Oberhuber è Product Line Manager presso Texas Instruments.



