
I consumatori desiderano caricabatterie portatili, veloci ed efficienti per i vari dispositivi elettronici che portano con sé quotidianamente. Con il passaggio della maggior parte dei dispositivi elettronici ai caricabatterie USB Type-C, la richiesta di adattatori di alimentazione compatti in grado di caricare tutti i dispositivi è in rapido aumento.
La sfida nella progettazione di moderni caricatori mobili USB Type-C consumer, alimentatori per PC e alimentatori TV è quella di ridurre le dimensioni della soluzione mantenendo o aumentando il livello di potenza.
I dispositivi al nitruro di gallio (GaN) a basso consumo di Texas Instruments aiutano a risolvere questo problema in un’ampia varietà delle topologie più popolari offrendo allo stesso tempo vantaggi termici, dimensionali e di integrazione. Insieme allo sviluppo di tecnologie wide-bandgap come GaN negli ultimi due decenni, sono stati apportati anche nuovi miglioramenti alle topologie AC/DC per migliorare l’efficienza e la funzionalità. In questo articolo approfondirò i vantaggi e la compatibilità di questi dispositivi all’interno delle topologie più diffuse per queste applicazioni, nonché alcune nuove topologie allettanti.
Massimizzazione dell’efficienza e della densità di potenza con le topologie ACF e AHB
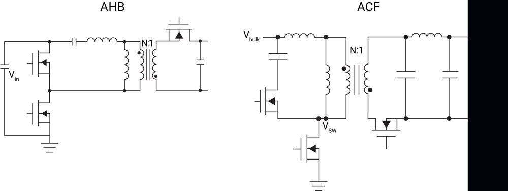
Un paio di topologie a semiponte di nuova concezione ottimizzano l’efficienza offrendo al contempo funzionalità di tensione di uscita variabile. Le topologie active clamp flyback (ACF) e semiponte asimmetrico (AHB), come mostrato nella Figura 1, possono aiutare a massimizzare l’efficienza e la densità di potenza negli stadi DC/DC. Invece di utilizzare uno snubber clamp con perdite come nel caso delle topologie flyback quasi risonante (QR) o flyback con commutazione a tensione zero (ZVS), le topologie ACF e AHB sono invece in grado di riciclare l’energia di dispersione verso l’uscita, migliorando ulteriormente l’efficienza. Queste due topologie sono anche in grado di eliminare completamente i picchi di tensione sul transistor a effetto di campo (FET) low-side, consentendo l’utilizzo di FET raddrizzatori sincroni a tensione inferiore sul lato secondario. Inoltre, la topologia AHB non richiede un secondo filtro di uscita, rendendo nel complesso una soluzione più piccola e a basso costo.
Il FET GaN integrato LMG3624 è dotato di una funzione di rilevamento della corrente “senza perdite” integrata che può contribuire a migliorare ulteriormente l’efficienza riducendo le perdite di potenza, come mostrato nella Figura 2. Ad esempio, in un ACF da 65 W, il rilevamento della corrente integrato contribuirebbe con meno di 10 mW alle perdite, mentre uno schema tradizionale di rilevamento della corrente contribuirebbe con circa 170 mW. Qualsiasi topologia che richieda il controllo in modalità corrente, inclusi ACF, AHB e altri, trarrebbe grandi vantaggi da questa ampia riduzione delle perdite e consentirebbe una soluzione complessiva più efficiente.
Figura 1: topologie AHB e ACF
Figura 2: Perdita di potenza con rilevamento di corrente integrato rispetto alla perdita di potenza del rilevamento di corrente tradizionale.
Topologia PFC totem-pole per progetti di potenza più elevata
Nella maggior parte del mondo, è necessario uno stadio di correzione del fattore di potenza (PFC) una volta raggiunti livelli di potenza superiori a 70 W. In questo contesto, per sfruttare al massimo le capacità della tecnologia GaN, la topologia più adatta a quella PFC totem-pole, come mostrato nella Figura 3. La rimozione del raddrizzatore a ponte rafforza il valore dei FET GaN in questa topologia, date le perdite pari a zero per il recupero inverso.
I transistor MOSFET hanno un body diode che li rende praticamente inutilizzabili in questa topologia a causa della loro elevata carica di recupero inverso, con le versioni in carburo di silicio (SiC) che offrono solo un lieve miglioramento nella carica di recupero inversa. D’altra parte, LMG3624 offre una velocità di risposta regolabile, aiutando a trovare l’equilibrio appropriato tra interferenze elettromagnetiche ed efficienza del sistema.

Figura 3: topologia PFC totem-pole.
GaN a basso consumo in QR, ZVS, LLC e topologie PFC potenziate
Sebbene le topologie più recenti abbiano iniziato a guadagnare terreno, ci sono ancora chiari vantaggi derivanti dall’utilizzo del GaN integrato con le topologie tradizionali. L’introduzione del GaN nei flyback QR, nei flyback ZVS e nel tradizionale PFC boost è diventata comune, perché è sufficiente sostituire un singolo FET di commutazione con un FET GaN per vedere i miglioramenti nell’efficienza e nelle capacità di frequenza di commutazione (in gran parte attraverso la minore capacità di ingresso del GaN, che risulta con minori perdite di spegnimento). Inoltre, il FET GaN LMG3624 ha una bassa corrente a riposo, che la modalità standby può ridurre ulteriormente. Le topologie QR, ZVS e boost PFC beneficiano anche del rilevamento di corrente senza perdite integrato nell’LMG3624.
La topologia del convertitore risonante LLC esiste da decenni ed è popolare nelle applicazioni a tensione di uscita fissa come adattatori per laptop e alimentatori TV in cui un controller USB Type-C non domina la tensione di uscita. La topologia LLC consentirà inoltre la massima efficienza del trasformatore rispetto alla maggior parte delle topologie DC/DC a mezzo ponte.
Conclusione
Poiché la domanda di soluzioni AC/DC più piccole ed efficienti continua a crescere, i consumatori preferiscono adattatori più piccoli per una migliore portabilità. Negli ambienti industriali, gli alimentatori (PSU) ad alta efficienza stanno diventando necessari per i PC poiché le unità di elaborazione grafica diventano sempre più esigenti in termini di energia. Gli alimentatori più sottili stanno anche aprendo la strada a televisori di fascia alta più sottili. La versatilità di LMG3624 aiuta a soddisfare i requisiti di queste applicazioni offrendo funzionalità e vantaggi che è possibile integrare in tutte le topologie a cui si fa riferimento in questo articolo.
Risorse addizionali
- Utilizzo del convertitore flyback quasi risonante ad alta densità USB-C PD da 65 W LMG3622EVM-082
- Come il GaN consente un’elevata efficienza nei progetti di alimentazione basati su PFC Totem-Pole
- Progettazione con la famiglia LMG362x di FET GaN a basso consumo
Noah Rodriguez è Product Marketing Engineer presso Texas Instruments.



