
Creare progetti efficienti e compatti in grado di rispondere ai severi requisiti riguardanti le interferenza elettromagnetica (EMI) come quelli imposti dal Comité International Spécial des Perturbations Radioélectriques (CISPR) rappresenta una sfida impegnativa. Per questo motivo, anche la selezione dei componenti diventa una parte critica del processo di progettazione. Come per la maggior parte delle decisioni relative alla progettazione, la scelta tra diversi componenti si riduce quasi sempre a una valutazione dei compromessi in base agli obiettivi di progettazione più critici.
Noti per l’elevata efficienza e le buone prestazioni termiche, i regolatori buck non sono generalmente considerati una buona soluzione per dispositivi con basso valore di EMI.
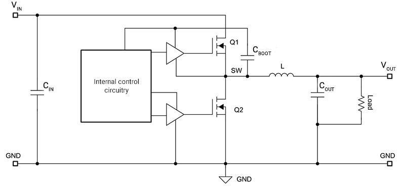
Fortunatamente, esistono diverse opzioni per ridurre l le emissioni elettromagnetiche generate da tali regolatori. Diamo subito un’occhiata alla Figura 1 che mostra lo schema semplificato di un regolatore buck.

Considerazioni sulla disposizione della scheda
Oltre a selezionare i valori corretti dei componenti per garantire un design funzionale, il layout del PCB dovrebbe rappresentare l’aspetto fondamentale da considerare per riuscire a fare rientrare le emissioni nei limiti previsti. Esistono due regole generali che possono aiutare a ridurre al minimo le EMI generate con tutti i layout delle schede di regolazione buck:
- Ridurre al minimo le aree di loop di corrente transitoria (di/dt) portando il condensatore di ingresso e il condensatore di avvio il più vicino possibile ai pin VIN e GND del circuito integrato.
- Ridurre al minimo la superficie dei nodi ad alta tensione transitoria (dv/dt) riducendo al minimo l’area del nodo switch.
Nei casi in cui l’ottimizzazione del layout della scheda non è possibile, sono disponibili altre opzioni, come spiegato nell’articolo tecnico, “How Device-Level Features and Package Options Can Help Minimize EMI in Automotive Designs“.
Condensatori di ingresso integrati
Come accennato, la riduzione dell’area degli anelli di corrente di/dt elevati è molto importante quando si progettano regolatori a commutazione per rimanere al di sotto dei limiti EMI. In un regolatore buck, è importante considerare il circuito della tensione di ingresso verso terra dal punto di vista EMI. Un regolatore buck riduce una tensione DC più elevata in una più bassa, attivando e disattivando la connessione all’alimentazione, determinando la corrente del MOSFET Q1 lato alto, come mostra la Figura 2.

Il MOSFET si accende e si spegne rapidamente, creando correnti molto alte, quasi discontinue, erogate dal condensatore di ingresso. Alcuni dispositivi, come i regolatori buck 3-A LMQ66430-Q1 e 6-A LMQ61460-Q1 36-V di TI, integrano condensatori di ingresso per alta frequenza all’interno del contenitore, ottenendo così la più piccola area possibile di loop di corrente in ingresso. Riducendo l’area di questo anello di corrente in ingresso si ottiene una minore induttanza parassita in ingresso, riducendo così significativamente la quantità di energia elettromagnetica generata.
Condensatore di bootstrap integrato
Un altro circuito con elevata corrente di/dt da considerare è il circuito del condensatore di bootstrap. Quest’ultimo è responsabile della fornitura di carica al gate driver MOSFET high-side durante il periodo di attivazione. I circuiti interni scaricano questo condensatore durante il tempo di inattività. Il terminale di source del MOSFET high-side si collega al nodo switch anziché a GND. Il riferimento del condensatore di bootstrap al pin source del MOSFET garantisce che la tensione gate-source (VGS) sia sufficientemente alta da attivare il MOSFET. Con la maggior parte dei regolatori buck, bisognerà lasciare un’area del nodo switch disponibile sulla scheda per collegare il condensatore di bootstrap, sebbene ciò possa essere controproducente quando si tenta di ridurre al minimo l’area del nodo switch per ridurre le EMI. Integrando il condensatore di avvio all’interno del package, l’LMQ66430-Q1 segue le due regole menzionato in precedenza, riducendo anche la necessità di un componente esterno.
Conclusione
Può essere difficile progettare alimentatori compatti in grado di rimanere entro i limiti EMI previsti. I regolatori buck con condensatori integrati possono semplificare il processo di progettazione riguardante le EMI, aiutando anche a ridurre il numero complessivo di componenti esterni.
Risorse addizionali
Su questo argomento, sono disponibili ulteriori articoli tecnici:
- “How a DC/DC Converter Package and Pinout Design Can Enhance Automotive EMI Performance.”
- “Lowering Audible Noise in Automotive Applications with TI’s DRSS Technology.”
- “An Engineer’s Guide to Low EMI in DC/DC Regulators.” un e-book con una panoramica completa di tutti gli aspetti riguardanti la riduzione delle EMI.
Harrison Overturf è Application Engineer presso Texas Instruments.



